Visual Materials
"We Call It Big Creek"
You might also be interested in

Popular map of Big Creek Layout "Pagett"
Visual Materials
Popular map of Big Creek Layout "Pagett" [shows the grand plan, or full potential development of Big Creek]
photCL SCE 02 - 10659

Relief map of Big Creek area
Visual Materials
[Relief map of Big Creek area - Contours, tributaries, and hydroelectric facilities shown.]
photCL SCE 06 - 73017

Big Creek Powerhouse #3
Visual Materials
Big Creek Powerhouse #3 - Construction of Powerhouse #3 substructure at Generator Floor, showing yard layout and concrete plant.
photCL SCE 02 - 08569

Group of men on a Big Creek Hydroelectric tour
Visual Materials
Group of men on a Big Creek Hydroelectric tour - showing the airline flight, the Big Creek guest house, dinners, poker night, Powerhouse #1, Mammoth Pool Powerhouse, fish hatchery, etc. [with 111 variants]
photCL SCE 06 - 71620

Big Creek Powerhouse #3
Visual Materials
Big Creek Powerhouse #3 - General view of dam site Dam #6 showing cofferdam, flume, tunnel intake and dam site layout.
photCL SCE 02 - 08092

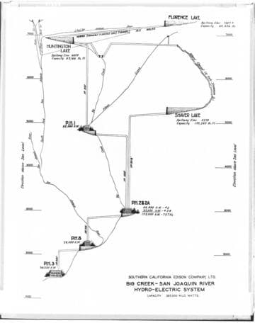
Big Creek General - Diagramatic elevation profile map of Big Creek
Visual Materials
Big Creek General - Diagramatic [elevation profile] map of Big Creek - San Joaquin River Hydro-electric System.
photCL SCE 02 - 27863